[ ѯ ]     [ ]
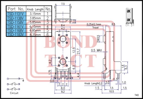
TSD-1131V
ֵ : ֱ12 50  
Ӵ : 100ŷ  
Ե : ֱ500100ŷ  
͵ѹ : 5001  
: 100000  
Scroll Up
Scroll Down